Morphology
Erode
Erode entfernt nach und nach die Ränder eines weißen Vordergrundobjekts in einem Bild, indem nicht-weiße Pixel in schwarze umgewandelt werden. Dadurch verkleinern sich die weißen Bereiche, was nützlich ist, um kleine weiße Flecken zu beseitigen oder miteinander verbundene Objekte im Bild zu trennen.
Flow

Parameterset
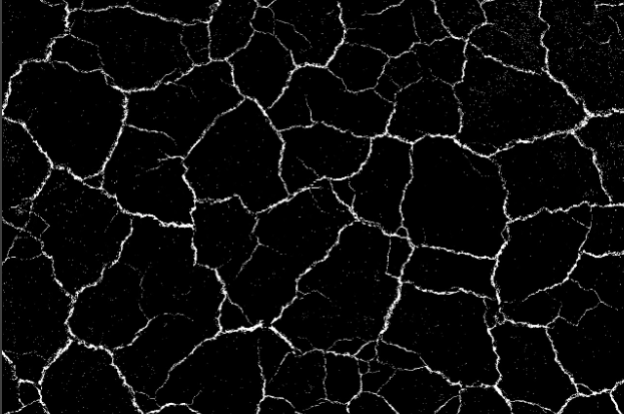
Parameter | Typ | Beschreibung | erste Iteration | letzte Iteration |
|---|---|---|---|---|
Region | Region | Binäres Bild verarbeitet in schwarz und weiß nach der Segmentierung | ![]() | ![]() |
Shape | MorphShape |
| ||
Size (Pixel) | Single | Bezieht sich auf die Dimensionen des bei der Operation verwendeten Kernels. Eine größere Kernelgröße vergrößert den Bereich um jedes Pixel, was beeinflusst, wie stark das Bild morphologisch verändert wird. | ||
Iteration | Int32 | Gibt an, wie oft die morphologische Operation angewendet wird. Je mehr Iterationen im Erosionsprozess durchgeführt werden, desto kleiner werden die weißen Bereiche. | ||
Return | Region | Binärbild nach der morphologischen Transformation. |
Dilate
Dilation (Ausdehnung) erweitert nach und nach die Grenzen weißer Vordergrundobjekte in einem Bild, indem Pixel weiß gefärbt werden, wenn mindestens ein Pixel unter dem Kernel weiß ist. Dadurch vergrößern sich die weißen Bereiche, was effektiv Lücken füllt und/oder getrennte Teile von Objekten im Bild miteinander verbindet.
Flow

Parameterset
Parameter | Typ | Beschreibung | erste Iteration | letzte Iteration |
|---|---|---|---|---|
Region | Region | Binäres Bild verarbeitet in schwarz und weiß nach der Segmentierung | ![]() | ![]() |
Shape | MorphShape |
| ||
Size (Pixel) | Single | Bezieht sich auf die Dimensionen des bei der Operation verwendeten Kernels. Eine größere Kernelgröße vergrößert den Bereich um jedes Pixel, was beeinflusst, wie stark das Bild morphologisch verändert wird. | ||
Iteration | Int32 | Gibt an, wie oft die morphologische Operation angewendet wird. Je mehr Iterationen im Dilationsprozess durchgeführt werden, desto größer werden die weißen Bereiche. | ||
Return | Region | Binärbild nach der morphologischen Transformation. |
Open
Open (Öffnen) wendet zunächst eine Erosion und anschließend eine Dilation auf ein Bild an. Dadurch werden die Grenzen geglättet, kleine Ausstülpungen entfernt und überlappende Objekte getrennt, indem die weißen Bereiche im Bild zuerst verkleinert und dann wieder vergrößert werden. Dieser Prozess ist besonders effektiv, um verrauschte Bilder zu bereinigen oder sie für weitere Analysen wie die Objekterkennung vorzubereiten.
Flow

Parameterset
Parameter | Typ | Beschreibung | erste Iteration | zweite Iteration | letzte Iteration |
|---|---|---|---|---|---|
Region | Region | Binäres Bild verarbeitet in schwarz und weiß nach der Segmentierung | ![]() | ![]() | ![]() |
Shape | MorphShape |
| |||
Size (Pixel) | Single | Bezieht sich auf die Dimensionen des bei der Operation verwendeten Kernels. Eine größere Kernelgröße vergrößert den Bereich um jedes Pixel, was beeinflusst, wie stark das Bild morphologisch verändert wird. | |||
Iteration | Int32 | Gibt an, wie oft die morphologische Operation angewendet wird. Je mehr Iterationen durchgeführt werden, desto stärker wirkt der Glättungseffekt auf die Grenzen der weißen Vordergrundobjekte. | |||
Return | Region | Binärbild nach der morphologischen Transformation. |
Close
Close (Schließen) wendet zunächst eine Dilation und anschließend eine Erosion auf ein Bild an. Dadurch werden kleine Lücken zwischen weißen Bereichen geschlossen, unterbrochene Teile von Objekten verbunden und Unregelmäßigkeiten im Vordergrund geglättet. Dieser Prozess ist nützlich, um kleine Löcher oder Spalten in Objekten zu füllen und die Kontinuität in segmentierten Bereichen des Bildes sicherzustellen.
Flow

Parameterset
Parameter | Typ | Beschreibung | erste Iteration | zweite Iteration | letzte Iteration |
|---|---|---|---|---|---|
Region | Region | Binäres Bild verarbeitet in schwarz und weiß nach der Segmentierung | ![]() | ![]() | ![]() |
Shape | MorphShape |
| |||
Size (Pixel) | Single | Bezieht sich auf die Dimensionen des bei der Operation verwendeten Kernels. Eine größere Kernelgröße vergrößert den Bereich um jedes Pixel, was beeinflusst, wie stark das Bild morphologisch verändert wird. | |||
Iteration | Int32 | Gibt an, wie oft die morphologische Operation angewendet wird. Mehr Iterationen füllen effektiv mehr Lücken und glätten Unregelmäßigkeiten im Vordergrund. | |||
Return | Region | Binärbild nach der morphologischen Transformation. |
Gradient
Gradient berechnet die Differenz zwischen Dilation und Erosion eines Bildes und hebt dadurch Kanten und Objektumrisse hervor. Er ist besonders nützlich für Aufgaben wie die Kantenerkennung.
Flow

Parameterset
Parameter | Typ | Beschreibung | erste Iteration | zweite Iteration | letzte Iteration |
|---|---|---|---|---|---|
Region | Region | Binäres Bild verarbeitet in schwarz und weiß nach der Segmentierung | ![]() | ![]() | ![]() |
Shape | MorphShape |
| |||
Size (Pixel) | Single | Bezieht sich auf die Dimensionen des bei der Operation verwendeten Kernels. Eine größere Kernelgröße vergrößert den Bereich um jedes Pixel, was beeinflusst, wie stark das Bild morphologisch verändert wird. | |||
Iteration | Int32 | Gibt an, wie oft die morphologische Operation angewendet wird. Je mehr Iterationen durchgeführt werden, desto ausgeprägter werden die Kanten und Begrenzungen im Bild.. | |||
Return | Region | Binärbild nach der morphologischen Transformation. |
Top Hat
Top-Hat berechnet die Differenz zwischen dem Originalbild und dessen Opening. Diese Operation ist effektiv, um kleine, helle Details oder Merkmale im Bild hervorzuheben, wie feine Strukturen oder Rauschen.
Flow

Parameterset
Parameter | Typ | Beschreibung | erste Iteration | zweite Iteration | letzte Iteration |
|---|---|---|---|---|---|
Region | Region | Binäres Bild verarbeitet in schwarz und weiß nach der Segmentierung | ![]() | ![]() | ![]() |
Shape | MorphShape |
| |||
Size (Pixel) | Single | Bezieht sich auf die Dimensionen des bei der Operation verwendeten Kernels. Eine größere Kernelgröße vergrößert den Bereich um jedes Pixel, was beeinflusst, wie stark das Bild morphologisch verändert wird. | |||
Iteration | Int32 | Gibt an, wie oft die morphologische Operation angewendet wird. Je mehr Iterationen durchgeführt werden, desto stärker werden die kleinen, hellen Details im Bild hervorgehoben und betont. | |||
Return | Region | Binärbild nach der morphologischen Transformation. |
Black Hat
Black-Hat berechnet die Differenz zwischen der Schließung (Closing) eines Bildes und dem Originalbild. Diese Operation ist nützlich, um kleine, dunkle Merkmale oder Details im Bild zu erkennen und hervorzuheben, wie Flecken oder dunkle Objekte auf einem helleren Hintergrund.
Flow

Parameterset
Parameter | Typ | Beschreibung | Original | Closing | Abgleich |
|---|---|---|---|---|---|
Region | Region | Binäres Bild verarbeitet in schwarz und weiß nach der Segmentierung | ![]() | ![]() | ![]() |
Shape | MorphShape |
| |||
Size (Pixel) | Single | Bezieht sich auf die Dimensionen des bei der Operation verwendeten Kernels. Eine größere Kernelgröße vergrößert den Bereich um jedes Pixel, was beeinflusst, wie stark das Bild morphologisch verändert wird. | |||
Iteration | Int32 | Gibt an, wie oft die morphologische Operation angewendet wird. Je mehr Iterationen durchgeführt werden, desto stärker werden kleine, dunkle Merkmale und Details im Bild hervorgehoben. | |||
Return | Region | Binärbild nach der morphologischen Transformation. |
Hit Miss
Hit-Miss erkennt bestimmte Muster in einem Bild, indem es die Vordergrund- und Hintergrundbedingungen abgleicht, die durch zwei komplementäre Strukturelemente (Kerne) definiert sind. Es identifiziert exakte Pixelkonfigurationen und ist nützlich für präzise Aufgaben der Form- oder Mustererkennung in der Bildverarbeitung.
Flow

Parameterset
Parameter | Typ | Beschreibung | Original | Ergebnis |
|---|---|---|---|---|
Region | Region | Binäres Bild verarbeitet in schwarz und weiß nach der Segmentierung | ![]() | ![]() |
Shape | MorphShape |
| ||
Size (Pixel) | Single | Bezieht sich auf die Dimensionen des bei der Operation verwendeten Kernels. Eine größere Kernelgröße vergrößert den Bereich um jedes Pixel, was beeinflusst, wie stark das Bild morphologisch verändert wird. | ||
Iteration | Int32 | Gibt an, wie oft die morphologische Operation angewendet wird. Je mehr Iterationen durchgeführt werden, desto genauer werden bestimmte Muster und Formen im Bild basierend auf den definierten Strukturelementen erkannt. | ||
Return | Region | Binärbild nach der morphologischen Transformation. |
















